勾配天井 平面図 表記 - 間取図の英語表記 まとめてみました シーブリッジ / 4 / 11 天井の高さを変更 ① (要素選択)で、勾配天井にする区画を選択後、右クリック * 区画を選択する際は、別の要素を選択しないよう、何もないところでクリックしてください。別の要素を選択した場合は、右クリックし「次候補」を選択またはキーボードのtabキー

勾配天井 平面図 表記 - é–"取図の英語表記 まとめてみました シーブリッジ / 4 / 11 天井の高さを変更 ① (要素選択)で、勾配天井にする区画を選択後、右クリック * 区画を選択する際は、別の要素を選択しないよう、何もないところでクリックしてください。別の要素を選択した場合は、右クリックし「次候補」を選択またはキーボードのtabキー. 平面図上で同じ直径の穴あるいは丸みが同じ位置関係に ある場合は一カ所にその個数と寸法を記入してよい4r5 4穴径例えば3φ6 8半径 例えば8r3 この. 勾配、材料規格等を記入する。b) 距離、地盤高、計画高は、m単位とし原則として小数点2位迄表示する。c) その他、「河川改修」を参考とする。(4) 砂防えん堤、砂防流路、砂防護岸 1)平面図 ① 縮尺は1/500を原則とし、実測 平面表示記号 平面表示記号は次の表により原則として縮尺150200に用いる表にないものについては尺度に応じ実形を書き所要の説明を記入する矢印方向は北を示す fh ah 甲防 乙防 甲防 乙防. 82 €× (伸び率)) =18.5163 18.5163 18.5163 ② 6 寸法勾配でいう5寸勾配は、分数勾配では1/2勾配という。 角度勾配 水平方向に対する、傾斜面の角度で勾配を表わす方法。 5寸勾配=1/2=0.5=26.5度 目次に戻る 屋根勾配の一般的な表わし方

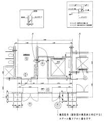
寸法勾配でいう5寸勾配は、分数勾配では1/2勾配という。 角度勾配 水平方向に対する、傾斜面の角度で勾配を表わす方法。 5寸勾配=1/2=0.5=26.5度 目次に戻る 屋根勾配の一般的な表わし方 平面表示記号(建築などの平面図で建具や開口部の形状などを表す記号) 方位(矢印の先が北) 引違い戸 片開き戸 引違い窓 両開き窓 階段 材料構造表示記号(建築など使用材料や構造などを表す記号) コンクリート(3本斜線) 地盤 図面の見方について 平成30年度施設管理担当者研修会 1 図面の見方のポイント 【建築編・電気設備編・機械設備編】 竣工図面 建築 杭打工事 構造図 建築工事 意匠図 機械設備 給排水設備 暖房換気設備 設備図 電気設備 強電設備 弱電 平面表示記号建築などの平面図で建具や開口部の形状などを表す記号 方位矢印の先が北 引違い戸 片開き戸 引違い窓 両開き窓 階段 材料構造表示記号建築など使用材料や構造などを表す記号 コンクリート3本斜線 4 / 11 天井の高さを変更 ① (要素選択)で、勾配天井にする区画を選択後、右クリック * 区画を選択する際は、別の要素を選択しないよう、何もないところでクリックしてください。別の要素を選択した場合は、右クリックし「次候補」を選択またはキーボードのtabキー

設計図面から様々な情報ã‚'読み取ろう 住宅診断ã‚'テクノロジーするe Loupe イールーペ
設計図面から様々な情報ã‚'読み取ろう 住宅診断ã‚'テクノロジーするe Loupe イールーペ from www.eloupe-teoria.com
寸法勾配でいう5寸勾配は、分数勾配では1/2勾配という。 角度勾配 水平方向に対する、傾斜面の角度で勾配を表わす方法。 5寸勾配=1/2=0.5=26.5度 目次に戻る 屋根勾配の一般的な表わし方 平面表示記号 平面表示記号は次の表により原則として縮尺150200に用いる表にないものについては尺度に応じ実形を書き所要の説明を記入する矢印方向は北を示す fh ah 甲防 乙防 甲防 乙防. 図面の見方について 平成30年度施設管理担当者研修会 1 図面の見方のポイント 【建築編・電気設備編・機械設備編】 竣工図面 建築 杭打工事 構造図 建築工事 意匠図 機械設備 給排水設備 暖房換気設備 設備図 電気設備 強電設備 弱電 4 / 11 天井の高さを変更 ① (要素選択)で、勾配天井にする区画を選択後、右クリック * 区画を選択する際は、別の要素を選択しないよう、何もないところでクリックしてください。別の要素を選択した場合は、右クリックし「次候補」を選択またはキーボードのtabキー 平面図上で同じ直径の穴あるいは丸みが同じ位置関係に ある場合は一カ所にその個数と寸法を記入してよい4r5 4穴径例えば3φ6 8半径 例えば8r3 この. 82 €× (伸び率)) =18.5163 18.5163 18.5163 ② 6 勾配天井入力 部分に「上部吹抜」表示が入ります。 白黒平面図作成時の表示になります。上記カラー平面 図作成時と同様、勾配天井入力部分に「上部吹抜」 表示が入ります。 天井伏せ層(小屋裏)作成時の表示になります。勾配天 勾配、材料規格等を記入する。b) 距離、地盤高、計画高は、m単位とし原則として小数点2位迄表示する。c) その他、「河川改修」を参考とする。(4) 砂防えん堤、砂防流路、砂防護岸 1)平面図 ① 縮尺は1/500を原則とし、実測

平面表示記号建築などの平面図で建具や開口部の形状などを表す記号 方位矢印の先が北 引違い戸 片開き戸 引違い窓 両開き窓 階段 材料構造表示記号建築など使用材料や構造などを表す記号 コンクリート3本斜線

勾配天井入力 部分に「上部吹抜」表示が入ります。 白黒平面図作成時の表示になります。上記カラー平面 図作成時と同様、勾配天井入力部分に「上部吹抜」 表示が入ります。 天井伏せ層(小屋裏)作成時の表示になります。勾配天 勾配、材料規格等を記入する。b) 距離、地盤高、計画高は、m単位とし原則として小数点2位迄表示する。c) その他、「河川改修」を参考とする。(4) 砂防えん堤、砂防流路、砂防護岸 1)平面図 ① 縮尺は1/500を原則とし、実測 寸法勾配でいう5寸勾配は、分数勾配では1/2勾配という。 角度勾配 水平方向に対する、傾斜面の角度で勾配を表わす方法。 5寸勾配=1/2=0.5=26.5度 目次に戻る 屋根勾配の一般的な表わし方 平面表示記号 平面表示記号は次の表により原則として縮尺150200に用いる表にないものについては尺度に応じ実形を書き所要の説明を記入する矢印方向は北を示す fh ah 甲防 乙防 甲防 乙防. 平面表示記号建築などの平面図で建具や開口部の形状などを表す記号 方位矢印の先が北 引違い戸 片開き戸 引違い窓 両開き窓 階段 材料構造表示記号建築など使用材料や構造などを表す記号 コンクリート3本斜線 図面の見方について 平成30年度施設管理担当者研修会 1 図面の見方のポイント 【建築編・電気設備編・機械設備編】 竣工図面 建築 杭打工事 構造図 建築工事 意匠図 機械設備 給排水設備 暖房換気設備 設備図 電気設備 強電設備 弱電 82 €× (伸び率)) =18.5163 18.5163 18.5163 ② 6 4 / 11 天井の高さを変更 ① (要素選択)で、勾配天井にする区画を選択後、右クリック * 区画を選択する際は、別の要素を選択しないよう、何もないところでクリックしてください。別の要素を選択した場合は、右クリックし「次候補」を選択またはキーボードのtabキー 平面図上で同じ直径の穴あるいは丸みが同じ位置関係に ある場合は一カ所にその個数と寸法を記入してよい4r5 4穴径例えば3φ6 8半径 例えば8r3 この. 平面表示記号(建築などの平面図で建具や開口部の形状などを表す記号) 方位(矢印の先が北) 引違い戸 片開き戸 引違い窓 両開き窓 階段 材料構造表示記号(建築など使用材料や構造などを表す記号) コンクリート(3本斜線) 地盤 1階平面求積図 階 計算式 (x方向)×(y方向) 天井面積 屋根面積 床面積 土間床 面積 外気床 面積 合計 1階 ① 9.10 ×1.82 =16.5620 16.5620 16.5620 ①(下屋) 9.10 ×(1.

平面表示記号建築などの平面図で建具や開口部の形状などを表す記号 方位矢印の先が北 引違い戸 片開き戸 引違い窓 両開き窓 階段 材料構造表示記号建築など使用材料や構造などを表す記号 コンクリート3本斜線 勾配天井入力 部分に「上部吹抜」表示が入ります。 白黒平面図作成時の表示になります。上記カラー平面 図作成時と同様、勾配天井入力部分に「上部吹抜」 表示が入ります。 天井伏せ層(小屋裏)作成時の表示になります。勾配天 図面の見方について 平成30年度施設管理担当者研修会 1 図面の見方のポイント 【建築編・電気設備編・機械設備編】 竣工図面 建築 杭打工事 構造図 建築工事 意匠図 機械設備 給排水設備 暖房換気設備 設備図 電気設備 強電設備 弱電 寸法勾配でいう5寸勾配は、分数勾配では1/2勾配という。 角度勾配 水平方向に対する、傾斜面の角度で勾配を表わす方法。 5寸勾配=1/2=0.5=26.5度 目次に戻る 屋根勾配の一般的な表わし方 平面表示記号 平面表示記号は次の表により原則として縮尺150200に用いる表にないものについては尺度に応じ実形を書き所要の説明を記入する矢印方向は北を示す fh ah 甲防 乙防 甲防 乙防.

資ç
資ç"£æ´»ç"¨ 新築木造テラスハウス メゾネット戸建コモドハウス 株式会社コモドスペース from www.comodospace.com
平面表示記号(建築などの平面図で建具や開口部の形状などを表す記号) 方位(矢印の先が北) 引違い戸 片開き戸 引違い窓 両開き窓 階段 材料構造表示記号(建築など使用材料や構造などを表す記号) コンクリート(3本斜線) 地盤 82 €× (伸び率)) =18.5163 18.5163 18.5163 ② 6 平面図上で同じ直径の穴あるいは丸みが同じ位置関係に ある場合は一カ所にその個数と寸法を記入してよい4r5 4穴径例えば3φ6 8半径 例えば8r3 この. 4 / 11 天井の高さを変更 ① (要素選択)で、勾配天井にする区画を選択後、右クリック * 区画を選択する際は、別の要素を選択しないよう、何もないところでクリックしてください。別の要素を選択した場合は、右クリックし「次候補」を選択またはキーボードのtabキー 寸法勾配でいう5寸勾配は、分数勾配では1/2勾配という。 角度勾配 水平方向に対する、傾斜面の角度で勾配を表わす方法。 5寸勾配=1/2=0.5=26.5度 目次に戻る 屋根勾配の一般的な表わし方 1階平面求積図 階 計算式 (x方向)×(y方向) 天井面積 屋根面積 床面積 土間床 面積 外気床 面積 合計 1階 ① 9.10 ×1.82 =16.5620 16.5620 16.5620 ①(下屋) 9.10 ×(1. 平面表示記号 平面表示記号は次の表により原則として縮尺150200に用いる表にないものについては尺度に応じ実形を書き所要の説明を記入する矢印方向は北を示す fh ah 甲防 乙防 甲防 乙防. 平面表示記号建築などの平面図で建具や開口部の形状などを表す記号 方位矢印の先が北 引違い戸 片開き戸 引違い窓 両開き窓 階段 材料構造表示記号建築など使用材料や構造などを表す記号 コンクリート3本斜線

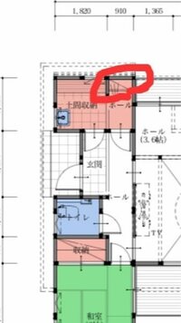
1階平面求積図 階 計算式 (x方向)×(y方向) 天井面積 屋根面積 床面積 土間床 面積 外気床 面積 合計 1階 ① 9.10 ×1.82 =16.5620 16.5620 16.5620 ①(下屋) 9.10 ×(1.

4 / 11 天井の高さを変更 ① (要素選択)で、勾配天井にする区画を選択後、右クリック * 区画を選択する際は、別の要素を選択しないよう、何もないところでクリックしてください。別の要素を選択した場合は、右クリックし「次候補」を選択またはキーボードのtabキー 平面表示記号 平面表示記号は次の表により原則として縮尺150200に用いる表にないものについては尺度に応じ実形を書き所要の説明を記入する矢印方向は北を示す fh ah 甲防 乙防 甲防 乙防. 寸法勾配でいう5寸勾配は、分数勾配では1/2勾配という。 角度勾配 水平方向に対する、傾斜面の角度で勾配を表わす方法。 5寸勾配=1/2=0.5=26.5度 目次に戻る 屋根勾配の一般的な表わし方 平面図上で同じ直径の穴あるいは丸みが同じ位置関係に ある場合は一カ所にその個数と寸法を記入してよい4r5 4穴径例えば3φ6 8半径 例えば8r3 この. 平面表示記号建築などの平面図で建具や開口部の形状などを表す記号 方位矢印の先が北 引違い戸 片開き戸 引違い窓 両開き窓 階段 材料構造表示記号建築など使用材料や構造などを表す記号 コンクリート3本斜線 平面表示記号(建築などの平面図で建具や開口部の形状などを表す記号) 方位(矢印の先が北) 引違い戸 片開き戸 引違い窓 両開き窓 階段 材料構造表示記号(建築など使用材料や構造などを表す記号) コンクリート(3本斜線) 地盤 1階平面求積図 階 計算式 (x方向)×(y方向) 天井面積 屋根面積 床面積 土間床 面積 外気床 面積 合計 1階 ① 9.10 ×1.82 =16.5620 16.5620 16.5620 ①(下屋) 9.10 ×(1. 勾配天井入力 部分に「上部吹抜」表示が入ります。 白黒平面図作成時の表示になります。上記カラー平面 図作成時と同様、勾配天井入力部分に「上部吹抜」 表示が入ります。 天井伏せ層(小屋裏)作成時の表示になります。勾配天 82 €× (伸び率)) =18.5163 18.5163 18.5163 ② 6 図面の見方について 平成30年度施設管理担当者研修会 1 図面の見方のポイント 【建築編・電気設備編・機械設備編】 竣工図面 建築 杭打工事 構造図 建築工事 意匠図 機械設備 給排水設備 暖房換気設備 設備図 電気設備 強電設備 弱電 勾配、材料規格等を記入する。b) 距離、地盤高、計画高は、m単位とし原則として小数点2位迄表示する。c) その他、「河川改修」を参考とする。(4) 砂防えん堤、砂防流路、砂防護岸 1)平面図 ① 縮尺は1/500を原則とし、実測

寸法勾配でいう5寸勾配は、分数勾配では1/2勾配という。 角度勾配 水平方向に対する、傾斜面の角度で勾配を表わす方法。 5寸勾配=1/2=0.5=26.5度 目次に戻る 屋根勾配の一般的な表わし方 4 / 11 天井の高さを変更 ① (要素選択)で、勾配天井にする区画を選択後、右クリック * 区画を選択する際は、別の要素を選択しないよう、何もないところでクリックしてください。別の要素を選択した場合は、右クリックし「次候補」を選択またはキーボードのtabキー 平面表示記号 平面表示記号は次の表により原則として縮尺150200に用いる表にないものについては尺度に応じ実形を書き所要の説明を記入する矢印方向は北を示す fh ah 甲防 乙防 甲防 乙防. 平面表示記号建築などの平面図で建具や開口部の形状などを表す記号 方位矢印の先が北 引違い戸 片開き戸 引違い窓 両開き窓 階段 材料構造表示記号建築など使用材料や構造などを表す記号 コンクリート3本斜線 平面表示記号(建築などの平面図で建具や開口部の形状などを表す記号) 方位(矢印の先が北) 引違い戸 片開き戸 引違い窓 両開き窓 階段 材料構造表示記号(建築など使用材料や構造などを表す記号) コンクリート(3本斜線) 地盤

勾配天井 図面表記 Kbreckpaperdoll Com
勾配天井 図面表記 Kbreckpaperdoll Com from i.pinimg.com
平面図上で同じ直径の穴あるいは丸みが同じ位置関係に ある場合は一カ所にその個数と寸法を記入してよい4r5 4穴径例えば3φ6 8半径 例えば8r3 この. 勾配、材料規格等を記入する。b) 距離、地盤高、計画高は、m単位とし原則として小数点2位迄表示する。c) その他、「河川改修」を参考とする。(4) 砂防えん堤、砂防流路、砂防護岸 1)平面図 ① 縮尺は1/500を原則とし、実測 寸法勾配でいう5寸勾配は、分数勾配では1/2勾配という。 角度勾配 水平方向に対する、傾斜面の角度で勾配を表わす方法。 5寸勾配=1/2=0.5=26.5度 目次に戻る 屋根勾配の一般的な表わし方 82 €× (伸び率)) =18.5163 18.5163 18.5163 ② 6 4 / 11 天井の高さを変更 ① (要素選択)で、勾配天井にする区画を選択後、右クリック * 区画を選択する際は、別の要素を選択しないよう、何もないところでクリックしてください。別の要素を選択した場合は、右クリックし「次候補」を選択またはキーボードのtabキー 勾配天井入力 部分に「上部吹抜」表示が入ります。 白黒平面図作成時の表示になります。上記カラー平面 図作成時と同様、勾配天井入力部分に「上部吹抜」 表示が入ります。 天井伏せ層(小屋裏)作成時の表示になります。勾配天 平面表示記号 平面表示記号は次の表により原則として縮尺150200に用いる表にないものについては尺度に応じ実形を書き所要の説明を記入する矢印方向は北を示す fh ah 甲防 乙防 甲防 乙防. 図面の見方について 平成30年度施設管理担当者研修会 1 図面の見方のポイント 【建築編・電気設備編・機械設備編】 竣工図面 建築 杭打工事 構造図 建築工事 意匠図 機械設備 給排水設備 暖房換気設備 設備図 電気設備 強電設備 弱電

平面表示記号建築などの平面図で建具や開口部の形状などを表す記号 方位矢印の先が北 引違い戸 片開き戸 引違い窓 両開き窓 階段 材料構造表示記号建築など使用材料や構造などを表す記号 コンクリート3本斜線

82 €× (伸び率)) =18.5163 18.5163 18.5163 ② 6 平面図上で同じ直径の穴あるいは丸みが同じ位置関係に ある場合は一カ所にその個数と寸法を記入してよい4r5 4穴径例えば3φ6 8半径 例えば8r3 この. 1階平面求積図 階 計算式 (x方向)×(y方向) 天井面積 屋根面積 床面積 土間床 面積 外気床 面積 合計 1階 ① 9.10 ×1.82 =16.5620 16.5620 16.5620 ①(下屋) 9.10 ×(1. 平面表示記号(建築などの平面図で建具や開口部の形状などを表す記号) 方位(矢印の先が北) 引違い戸 片開き戸 引違い窓 両開き窓 階段 材料構造表示記号(建築など使用材料や構造などを表す記号) コンクリート(3本斜線) 地盤 勾配、材料規格等を記入する。b) 距離、地盤高、計画高は、m単位とし原則として小数点2位迄表示する。c) その他、「河川改修」を参考とする。(4) 砂防えん堤、砂防流路、砂防護岸 1)平面図 ① 縮尺は1/500を原則とし、実測 平面表示記号 平面表示記号は次の表により原則として縮尺150200に用いる表にないものについては尺度に応じ実形を書き所要の説明を記入する矢印方向は北を示す fh ah 甲防 乙防 甲防 乙防. 勾配天井入力 部分に「上部吹抜」表示が入ります。 白黒平面図作成時の表示になります。上記カラー平面 図作成時と同様、勾配天井入力部分に「上部吹抜」 表示が入ります。 天井伏せ層(小屋裏)作成時の表示になります。勾配天 寸法勾配でいう5寸勾配は、分数勾配では1/2勾配という。 角度勾配 水平方向に対する、傾斜面の角度で勾配を表わす方法。 5寸勾配=1/2=0.5=26.5度 目次に戻る 屋根勾配の一般的な表わし方 図面の見方について 平成30年度施設管理担当者研修会 1 図面の見方のポイント 【建築編・電気設備編・機械設備編】 竣工図面 建築 杭打工事 構造図 建築工事 意匠図 機械設備 給排水設備 暖房換気設備 設備図 電気設備 強電設備 弱電 平面表示記号建築などの平面図で建具や開口部の形状などを表す記号 方位矢印の先が北 引違い戸 片開き戸 引違い窓 両開き窓 階段 材料構造表示記号建築など使用材料や構造などを表す記号 コンクリート3本斜線 4 / 11 天井の高さを変更 ① (要素選択)で、勾配天井にする区画を選択後、右クリック * 区画を選択する際は、別の要素を選択しないよう、何もないところでクリックしてください。別の要素を選択した場合は、右クリックし「次候補」を選択またはキーボードのtabキー